El desarrollo en torno a la emisión de sonido amplificado no se ha detenido desde sus inicios a finales del siglo XIX. Estos desarrollos han llevado a la creación de los sonidos Line array. Uno de los grandes descubrimientos que mejoraron significativamente la fidelidad del sonido en altas potencias, fue dividir las frecuencias para cada parlante específico. Para el caso anterior se usa un Amplificador que le entrega al divisor de frecuencias una señal de rango completo, para ser dividida en dos, tres o 4 frecuencias que el crossover reparte en parlantes diseñados exclusivamente para reproducir frecuencias específicas. La necesidad de mejorar la potencia y calidad del sonido, llevó a pensar en dividir las frecuencias antes de ser amplificadas y usar un amplificador para cada frecuencia. Los sonidos profesionales Line array son de 3, 4 y 5 vías. Tienen un Divisor de frecuencias activo que está formado por varios filtros pasa bandas.
Fundamentos de los Filtros Pasa Banda
Un filtro pasa banda es un circuito electrónico que permite el paso de un rango específico de frecuencias mientras atenúa o bloquea las frecuencias fuera de ese rango. En el contexto del audio, esto es crucial para dirigir las distintas frecuencias a los altavoces adecuados (woofers para graves, medios para voces, tweeters para agudos), optimizando así la reproducción del sonido.
Existen diversas maneras de construir un filtro de paso de banda. Antes de introducir algunas de las posibilidades, debemos definir una serie de parámetros importantes. Como en el caso de los filtros de paso alto y bajo, el concepto de amortiguación es importante. Por razones históricas, los filtros pasabanda normalmente se especifican con el parámetro (Q), el factor de calidad, que es el recíproco del factor de amortiguación. Comparable a la frecuencia de ruptura es la frecuencia central, o pico, del filtro. Este es el punto de ganancia máxima. En los circuitos RLC, generalmente se le conoce como la frecuencia de resonancia. El símbolo para la frecuencia central es (fo). Debido a que un filtro de paso de banda produce atenuación a ambos lados de la frecuencia central, hay dos frecuencias de “3 dB hacia abajo”. A la frecuencia inferior normalmente se le da el nombre (f1), y se da la superior (f2). La diferencia entre (f2) y (f1) se llama el ancho de banda del filtro y se abrevia como (BW). Es importante señalar que la frecuencia central no es igual al promedio aritmético de (f1) y (f_2).

Si un filtro requiere una unidad bastante baja (Q), digamos unidad o menos, el filtro se realiza mejor como una cascada de filtros separados de paso bajo y alto. Para mayores (Q)s, examinaremos dos posibles realizaciones.
Filtros Pasa Banda Activos Basados en Amplificadores Operacionales
En el mundo analógico, construir un filtro paso banda ideal a base de componentes pasivos como inductancias, condensadores o resistores, y activos como operacionales o simples transistores, resulta complicado. Sin embargo, si nos trasladamos al procesado digital de señales, resulta sorprendente ver cómo podemos construir respuestas en frecuencia prácticamente ideales, ya que en procesado digital de señal manejamos realmente vectores con valores numéricos (que son señales discretas en el tiempo), en lugar de señales continuas en el tiempo. Todo ello, no obstante, tiene una limitación importante: cuanto mayor precisión se requiera, mayor frecuencia de muestreo necesitaremos, y ello directamente implica un consumo de RAM y CPU superiores.
Estos filtros tienen aplicación en ecualizadores de audio, y hacen que unas frecuencias se amplifiquen más que otras. Otra aplicación consiste en eliminar ruidos que aparecen junto a una señal, siempre que la frecuencia de ésta sea fija o conocida.
Filtros Pasa Altos (HPF) y Pasa Medios (MPF) en Sistemas de Audio
Para un sonido de tres vías se utiliza un filtro pasa altos, un filtro pasa medios y un filtro pasa bajos. El filtro pasa altos (HPF) es un circuito electrónico que recibe a su entrada el rango de frecuencias completo y entrega únicamente las frecuencias altas. En el proceso son atenuadas las frecuencias bajas y medias dejando pasar las frecuencias altas. Cuando hablamos de frecuencias altas, es un término relativo que depende del diseño y de la aplicación del circuito.
La manera como llegamos a este circuito al igual que los otros dos filtros, fue tomando como punto de partida el preamplificador con tonos y fuente incluida. El gráfico que observamos a continuación es una imagen tomada del analizador de espectro del paquete de plugins »waves». Lo que se hizo fue colocar el filtro pasa altos a la entrada de un amplificador. Luego colocamos a reproducir ruido blanco generado con el programa sound forge. Recordemos que para saber si un amplificador es plano, debemos reproducir ruido blanco y captar el sonido para observar las frecuencias en un analizador de espectro. Cuando la señal es plana, se ve una línea horizontal.

Para lograr un realce de frecuencias altas agradable al oído, hicimos los ajustes en protoboard, antes de hacer el diagrama e íbamos escuchando hasta quedar satisfechos. El circuito integrado que utilizamos es el TL072, ya que su respuesta no es tan baja como el TL082. El TL072 es un amplificador operacional doble de tecnología FET. Los dos operacionales que se encuentran en su interior son utilizados en dos etapas; el primer operacional recibe la señal por medio de un condensador de 0.01 uF que restringe el paso de frecuencias bajas y medias. Este primer operacional preamplifica la señal para luego ser recibida por el segundo operacional. Otra de las grandes ventajas y comodidades de usar este circuito es que ya trae la fuente incluida en la misma tarjeta. Como se puede observar, detrás del conector de entrada de voltaje AC, se aprecia el puente de diodos que se encarga de separar los semiciclos positivos de los semiciclos negativos. Luego son rectificados por los dos condensadores. Hasta ahí tenemos una fuente simétrica. El circuito se debe alimentar con un voltaje simétrico de 12+12 voltios AC y una corriente de no menos de 200 miliamperios. La resistencia de 15K que se encuentra en serie a la entrada, divide la resistencia de 100k que va entre los terminales 1 y 2 del TL072. Entonces tenemos que: 100/15 = 6.66 de ganancia. Si al trabajar este filtro con un amplificador tiene un exceso de brillos o frecuencias altas estridentes, deberá subir la resistencia de 15K, cambiándola por una de 20K o 22K. Pero si por el contrario hace falta volumen, podemos cambiarla por una de 10K o menos.
El filtro pasa medio (MPF) es circuito electrónico que recibe a su entrada el rango de frecuencias completo y entrega únicamente las frecuencias medias. En el transcurso son atenuadas las frecuencias bajas y altas dejando pasar las frecuencias medias. Este filtro entrega su punto de realce más alto de frecuencias medias, en un rango comprendido, desde los 500 Hz, hasta los 4 KHz, estando el punto más alto entre 1Khz y 2KHz.
NOTA: un filtro pasa banda se debe colocar a la entrada de un amplificador de respuesta plana y el amplificador debe tener parlantes que reproduzcan las frecuencias respectivas. Es decir: si vamos a usar el filtro pasa altos, debemos colocar solo tweeters en la salida del amplificador.
Al igual que con nuestro filtro pasa altos, hicimos una grabación de ruido blanco que fue reproducido por un amplificador que tenía a la entrada nuestro filtro pasa medios. Para obtener una buena respuesta de medios hemos utilizado el amplificador operacional JRC4558. Cada operacional trabaja en una etapa del circuito: la primera restringe las frecuencias bajas, mediante dos condensadores de 0.1 uF que se encuentran; uno a la entrada del operacional y el otro a la salida del mismo. Esta etapa también preamplifica un poco la señal de medios y altos. Como el JRC4558 es bastante escaso, hemos usado uno de otra marca. Por eso vemos en la foto el C4558, de la marca NEC. (Nippon Electronics Company). De igual manera que en el filtro anterior. La resistencia de 5.1K que se encuentra en serie a la entrada, divide la resistencia de 100k que va entre los terminales 1 y 2 del C4558. Entonces tenemos que: 100/5.1 = 19.6 de ganancia. Algunos se preguntaran porque este circuito tiene más ganancia. Pues las frecuencias medias permiten un poco mas de ganancia antes de llegar a distorsión y además por la configuración de condensadores que atenúan las frecuencias. Si desea bajar la ganancia, puede subir la resistencia de 5.1K, cambiándola por una de 10K o 15K. Pero si por el contrario desea subir la ganancia, puede cambiarla por una de 3.3K o menos.
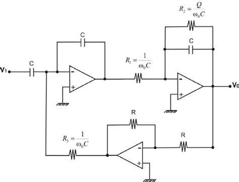
FILTRO ACTIVO PASO BANDA CON OPERACIONAL
Realizaciones de Filtros Pasa Banda
Otra forma de construir un filtro paso banda puede ser usar un filtro paso bajo en serie con un filtro paso alto entre los que hay un rango de frecuencias que ambos dejan pasar. Para ello, es importante tener en cuenta que la frecuencia de corte del paso bajo sea mayor que la del paso alto, a fin de que la respuesta global sea paso banda (esto es, que haya solapamiento entre ambas respuestas en frecuencia).
Un filtro ideal sería el que tiene unas bandas pasante y de corte totalmente planas y unas zonas de transición entre ambas nulas, pero en la práctica esto nunca se consigue, siendo normally más parecido al ideal cuando mayor sea el orden del filtro, para medir cuanto de "bueno" es un filtro se puede emplear el denominado factor Q.
Filtros de Retroalimentación Múltiple
Los filtros de retroalimentación múltiple se utilizarán para (Q)s de hasta aproximadamente 10. El filtro básico de retroalimentación múltiple es de segundo orden. Contiene dos elementos reactivos como se muestra en la Figura(\PageIndex{2}). Un par de elementos crea la respuesta de paso bajo ((R1C1)), y el otro par crea la respuesta de paso alto ((R2C2)). Al igual que con los diseños de paso alto y bajo VCVS, el circuito de la Figura(\PageIndex{2}) se normaliza a una frecuencia central de 1 radián por segundo. La extrapolación a nuevas frecuencias centrales se realiza de la misma manera que se mostró anteriormente. Se puede ver en la Ecuación\ ref {11.18} que mayores (Q)s producirán mayores ganancias. Para un (Q) de 10, la ganancia de voltaje será de 200. Para que este circuito funcione correctamente, la ganancia de bucle abierto del amplificador operacional utilizado debe ser mayor a 200 en la frecuencia central elegida. Por lo general, se incluye un factor de seguridad de 10 para mantener la estabilidad alta y la distorsión baja. Para una (Q) de 10 y una frecuencia central de 2 kHz, el amplificador operacional necesitará una (f_{unity}) de al menos 4 MHz. No es posible utilizar este tipo de filtro para alta frecuencia, (Q) trabajo alto, ya que los amplificadores operativos estándar pronto “se quedan sin vapor”. Aparte de esta dificultad, las altas ganancias producidas por valores incluso moderados para bien (Q) pueden ser poco prácticas.
Para muchas aplicaciones, se preferiría una versión de ganancia de unidad. Esto no es particularmente difícil de lograr. Todo lo que tenemos que hacer es atenuar la señal de entrada por un factor igual a la ganancia de voltaje del filtro. Si bien es posible colocar un par de resistencias frente al filtro para crear un divisor de voltaje, hay una manera más eficiente. Podemos (R1) dividirnos en dos componentes, como se muestra en la Figura(\PageIndex{3}). Siempre y cuando el equivalente de Thevenin de (R{1a}) y (R{1b}) como se ve desde el amplificador operacional sea igual al valor de (R1), la frecuencia de sintonización del filtro no se cambiará. Primero, determinemos la relación de las dos resistencias. Podemos comenzar fijando (R{1b}) al valor arbitrario (K). Entonces, vemos que (R{1a}) debe ser (2Q^2−1) veces más grande que (R{1b}). Al usar estos valores para (R{1a}) y (R_{1b}), el filtro tendrá una ganancia máxima de unidad.

El (Q) es demasiado alto para usar filtros separados de paso alto y bajo, pero suficientemente bajo para que se pueda usar un tipo de retroalimentación múltiple. Práctico cualquier amplificador operacional moderno excederá la (f{unity}) especificación. Como este circuito muestra una ganancia de 12, se(\PageIndex{3}) utilizará la variación de ganancia unitaria mostrada en la Figura. El circuito normalizado resultante se muestra en la Figura(\PageIndex{4}). Para traducir nuestro circuito a esta frecuencia, debemos dividir las resistencias o los condensadores por 6158. Se necesita un escalado de impedancia adicional para valores de componentes prácticos. Un factor de unos pocos miles más o menos sería apropiado aquí. Para que los cálculos sean simples, elegiremos 10 k. Cada resistencia se incrementará en 10 k y cada condensador se reducirá en 10 k. La simulación Multisim del circuito de Ejemplo(\PageIndex{1}) se muestra en la Figura(\PageIndex{6}). Tenga en cuenta que la ganancia es de 0 dB en la frecuencia central aproximada (aproximadamente 1 kHz). También se grafica la respuesta de fase de este filtro. Tenga en cuenta la transición de fase muy rápida en el área alrededor (fo). En simulaciones como esta, es muy importante que se empleen modelos de amplificador operacional realistas. Si se usa una versión sobreidealizada, el comportamiento no ideal debido a una reducción de la ganancia de bucle pasará desapercibido. Este error es más probable que ocurra en circuitos con frecuencias centrales altas y/o altas (Q) s.
Filtro de Variable de Estado
Para aplicaciones que requieren (Q)s de aproximadamente 10 o más, el filtro variable de estado es la forma de elección. La variable de estado a menudo se conoce como el filtro universal, ya que las salidas de paso de banda, paso alto y paso bajo están disponibles. Con componentes adicionales, también se puede formar una salida de rechazo de banda. A diferencia de las formas de filtro anteriores examinadas, el filtro básico de variable de estado requiere tres amplificadores operacionales. Además, es un tipo de segundo orden, aunque son posibles tipos de orden superior.
Esta forma recibe su nombre del análisis estado-variable. Uno de los primeros usos de los amplificadores operacionales fue en la construcción de computadoras analógicas. Se utilizaron interconexiones de diferenciadores, amplificadores, sumadores e integradores para resolver electrónicamente ecuaciones diferenciales que describían sistemas físicos. El análisis de variables de estado proporciona una técnica para resolver ecuaciones diferenciales involucradas. De hecho, las ecuaciones pueden describir las características de un filtro requerido.
El filtro de variable de estado se basa en integradores. La forma general utiliza un amplificador sumador y dos integradores, como se muestra en la Figura(\PageIndex{7}). Para entender cómo funciona este circuito a nivel intuitivo, recuerde# Filtro Paso Banda Tipo FIR: Ganancia, Gráfica y Características
El desarrollo en torno a la emisión de sonido amplificado, que se remonta a finales del siglo XIX, ha sido un motor constante de innovación. Estos avances han culminado en la creación de sistemas de sonido de alta fidelidad como los Line array. Uno de los descubrimientos más significativos para mejorar la fidelidad del sonido a altas potencias fue la división de las frecuencias, asignando cada rango a un altavoz específico.
La Evolución de la Divisón de Frecuencias en el Audio Profesional
Inicialmente, un amplificador entregaba una señal de rango completo a un divisor de frecuencias (crossover), el cual la repartía en dos, tres o cuatro bandas para ser reproducidas por altavoces diseñados para frecuencias específicas. Esta configuración, sin embargo, planteaba un desafío: la necesidad de amplificar toda la señal para luego dividirla. La búsqueda de mayor potencia y calidad sonora impulsó la idea de dividir las frecuencias antes de la amplificación, empleando un amplificador dedicado para cada banda de frecuencia.
Los sistemas profesionales de Line array modernos suelen ser de 3, 4 o 5 vías. Estos sistemas utilizan un divisor de frecuencias activo, compuesto por varios filtros pasa banda. Para un sistema de tres vías, por ejemplo, se emplea un filtro paso alto (HPF), un filtro paso banda (BPF) y un filtro paso bajo (LPF).

El Filtro Paso Alto (HPF): Acentuando las Altas Frecuencias
Un filtro paso alto (HPF) es un circuito electrónico que recibe un rango completo de frecuencias y emite únicamente las frecuencias superiores a una frecuencia de corte determinada. En este proceso, las frecuencias bajas y medias son atenuadas, permitiendo el paso de las frecuencias altas. La definición de "frecuencias altas" es relativa y depende del diseño específico y la aplicación del circuito.
Para comprender su funcionamiento, se puede tomar como punto de partida un preamplificador con control de tonos y fuente de alimentación integrada. Al colocar un filtro paso alto a la entrada de un amplificador y reproducir ruido blanco (una señal que contiene todas las frecuencias audibles con igual intensidad), un analizador de espectro mostrará cómo el filtro atenúa las frecuencias bajas y medias, dejando pasar las altas. Una señal plana, idealmente, se vería como una línea horizontal en el analizador.
Para lograr un realce de frecuencias altas agradable al oído, los ajustes se realizan a menudo en protoboard, escuchando la respuesta hasta alcanzar la satisfacción deseada antes de diagramar el circuito final.

Implementación Práctica del Filtro Paso Alto
Un circuito integrado comúnmente utilizado para este fin es el TL072, un amplificador operacional doble de tecnología FET, elegido por su respuesta menos limitada en comparación con el TL082. Los dos amplificadores operacionales dentro del TL072 se emplean en etapas separadas. El primer operacional recibe la señal a través de un condensador de 0.01 uF, que actúa como un filtro paso alto inicial, restringiendo el paso de frecuencias bajas y medias. Este primer operacional preamplifica la señal antes de que sea procesada por el segundo operacional.
Una ventaja significativa de usar circuitos integrados como el TL072 es la fuente de alimentación integrada. Detrás del conector de entrada de voltaje AC, se encuentra un puente de diodos que rectifica la señal, y condensadores que suavizan la salida, generando una fuente simétrica. El circuito se alimenta típicamente con un voltaje simétrico de ±12 voltios AC y una corriente mínima de 200 miliamperios.
La ganancia del filtro se ajusta mediante la red de resistencias. Por ejemplo, una resistencia de 15K en serie a la entrada, dividiendo una resistencia de 100K entre los terminales 1 y 2 del TL072, resulta en una ganancia de aproximadamente 100/15 = 6.66. Si el sonido resultante presenta un exceso de brillos o frecuencias altas estridentes, se puede aumentar el valor de la resistencia de 15K (por ejemplo, a 20K o 22K). Si, por el contrario, falta volumen, se puede reducir este valor (a 10K o menos).
El Filtro Paso Banda (BPF): Enfocándose en las Frecuencias Medias
Un filtro paso banda (BPF) es un circuito electrónico que, a diferencia del filtro paso alto, recibe un rango completo de frecuencias y emite únicamente las frecuencias dentro de una banda específica. Las frecuencias bajas y altas que se encuentran fuera de esta banda son atenuadas.
El punto de mayor realce de un filtro paso banda típico se sitúa en el rango de frecuencias medias, generalmente entre 500 Hz y 4 KHz, con un pico más pronunciado entre 1 KHz y 2 KHz.
Nota Importante: Para que un filtro paso banda funcione correctamente, debe conectarse a la entrada de un amplificador con respuesta de frecuencia plana. Además, el amplificador debe estar acoplado a altavoces que sean capaces de reproducir el rango de frecuencias que el filtro permite pasar. Por ejemplo, si se utiliza un filtro paso alto, solo se deben conectar tweeters a la salida del amplificador.

Implementación del Filtro Paso Banda con JRC4558
Para la construcción de un filtro paso banda, se puede emplear el amplificador operacional JRC4558. Similar al filtro paso alto, cada operacional trabaja en una etapa del circuito. La primera etapa se encarga de atenuar las frecuencias bajas mediante condensadores (por ejemplo, de 0.1 uF) ubicados a la entrada y salida del operacional. Esta etapa también preamplifica ligeramente la señal de medios y altos.
En la práctica, es posible encontrar el C4558 de la marca NEC (Nippon Electronics Company) como alternativa al JRC4558. La ganancia de este filtro se ajusta de manera análoga al filtro paso alto. Una resistencia de 5.1K en serie a la entrada, dividiendo una resistencia de 100K entre los terminales 1 y 2 del C4558, proporciona una ganancia de aproximadamente 100/5.1 = 19.6.
La mayor ganancia en este tipo de filtros se justifica porque las frecuencias medias toleran un mayor nivel de amplificación antes de distorsionar, y además, la configuración de condensadores contribuye a atenuar las frecuencias externas. Si se desea reducir la ganancia, se puede aumentar el valor de la resistencia de 5.1K (a 10K o 15K). Para aumentarla, se puede disminuir el valor (a 3.3K o menos).
FILTRO ACTIVO PASO BANDA CON OPERACIONAL
Métodos de Construcción de Filtros Paso Banda
Existen diversas maneras de construir un filtro paso banda, cada una con sus características y aplicaciones.
Circuitos RLC
Una forma simple de construir un filtro paso banda es mediante un circuito RLC (resistencia, bobina y condensador). En este caso, se diseña el circuito para que la frecuencia de resonancia sea la frecuencia central (fc) deseada, permitiendo el paso de esta y las componentes frecuenciales cercanas (f1 y f2).
Combinación de Filtros Paso Bajo y Paso Alto
Otra aproximación consiste en conectar un filtro paso bajo en serie con un filtro paso alto. Para que el resultado sea un filtro paso banda, es crucial que la frecuencia de corte del filtro paso bajo sea superior a la del filtro paso alto, asegurando así un solapamiento en sus rangos de paso.
Filtros Ideales vs. Filtros Reales
Un filtro ideal poseería bandas de paso y corte perfectamente planas, con transiciones nulas entre ellas. Sin embargo, en la práctica, esto es inalcanzable. Los filtros reales se aproximan a este ideal a medida que aumenta su orden. El factor de calidad (Q) es un parámetro utilizado para medir cuán "bueno" es un filtro, indicando la selectividad de la banda de paso. Un factor Q alto significa que el filtro es más selectivo, pero no necesariamente más cercano a un filtro ideal en términos de forma de respuesta.
Filtros Analógicos y Digitales
Construir filtros paso banda ideales en el dominio analógico, utilizando componentes pasivos (inductores, condensadores, resistores) o activos (amplificadores operacionales, transistores), presenta limitaciones prácticas. Sin embargo, en el ámbito del procesamiento digital de señales (DSP), es posible diseñar respuestas en frecuencia prácticamente ideales. Esto se debe a que en DSP se trabaja con vectores de valores numéricos (señales discretas en el tiempo) en lugar de señales continuas. La principal limitación en DSP es que una mayor precisión y un diseño más cercano al ideal requieren frecuencias de muestreo más altas, lo que a su vez incrementa el consumo de memoria RAM y CPU.
Aplicaciones de los Filtros Paso Banda
Los filtros paso banda tienen una amplia gama de aplicaciones:
- Ecualizadores de Audio: Permiten amplificar o atenuar selectivamente ciertas bandas de frecuencia para ajustar el timbre y la claridad del sonido.
- Receptores Inalámbricos: Son fundamentales en sistemas de radio y comunicación para sintonizar una señal específica, filtrando el ruido y otras señales no deseadas. Al centrar la frecuencia del filtro en la portadora de la señal deseada y ajustar su ancho de banda al de la señal modulada, se eliminan interferencias.
- Eliminación de Ruidos: Son útiles para eliminar ruidos específicos que coexisten con una señal, siempre que la frecuencia del ruido sea fija o conocida.

Consideraciones de Diseño y Parámetros Clave
Al diseñar un filtro paso banda, es esencial definir y considerar varios parámetros:
- Factor de Calidad (Q): El recíproco del factor de amortiguación, indica la selectividad del filtro.
- Frecuencia Central ((f_o)): La frecuencia a la que el filtro presenta su máxima ganancia. En circuitos RLC, se conoce como frecuencia de resonancia.
- Frecuencias de "3 dB Hacia Abajo" ((f1) y (f2)): Las frecuencias a ambos lados de la frecuencia central donde la ganancia del filtro cae 3 dB.
- Ancho de Banda (BW): La diferencia entre (f2) y (f1) ((BW = f2 - f1)).
La relación entre estos parámetros es fundamental. Por ejemplo, la frecuencia central no es simplemente el promedio aritmético de (f1) y (f2), especialmente en filtros de orden superior o con respuestas no ideales.
Filtros de Retroalimentación Múltiple
Para valores de Q moderados (hasta aproximadamente 10), los filtros de retroalimentación múltiple son una opción viable. Estos filtros son típicamente de segundo orden y contienen dos elementos reactivos que crean las respuestas de paso bajo y paso alto. La ganancia de voltaje en estos filtros puede ser considerablemente alta para valores de Q elevados, lo que requiere amplificadores operacionales con una alta ganancia de bucle abierto y una frecuencia de unidad ((f_{unity})) suficiente. Para aplicaciones de alta frecuencia o Q muy alto, estos filtros pueden no ser prácticos debido a las limitaciones de los amplificadores operacionales estándar.
Para lograr una ganancia de unidad en filtros de retroalimentación múltiple, se puede atenuar la señal de entrada o modificar la configuración de resistencias y condensadores, asegurando que la impedancia equivalente vista por el amplificador operacional no altere la frecuencia de sintonización.

Filtros de Variable de Estado (Universal Filters)
Para aplicaciones que requieren factores Q más altos (aproximadamente 10 o más), el filtro de variable de estado, también conocido como filtro universal, es la configuración preferida. Estos filtros ofrecen salidas de paso banda, paso alto y paso bajo, y con componentes adicionales, también se puede obtener una salida de rechazo de banda.
El filtro de variable de estado básico utiliza tres amplificadores operacionales y se basa en integradores. La señal de entrada se procesa a través de integradores y amplificadores sumadores para generar las diferentes respuestas de frecuencia. Al ajustar la cantidad de señal retroalimentada, se puede modificar el factor Q del filtro.
Existen configuraciones de ganancia fija y ganancia ajustable. La versión de ganancia fija suele utilizar tres amplificadores operacionales, con el Q determinado por una resistencia. La versión de ganancia ajustable puede requerir un cuarto amplificador operacional para aislar los ajustes de Q y ganancia. Aunque parezca un número elevado de componentes, los paquetes de amplificadores operacionales cuádruples permiten diseños compactos.
El diseño de un filtro de variable de estado implica la normalización a una frecuencia crítica (por ejemplo, 1 radián por segundo) y luego el escalado de los componentes (resistencias y condensadores) a la frecuencia central deseada. En el diseño de filtros de variable de estado, la resistencia de amortiguación ((R_{damping})) puede volverse considerablemente alta para valores de Q elevados. Si este valor excede los límites prácticos de los componentes, se puede reducir, ajustando proporcionalmente una resistencia divisora asociada para mantener el factor Q deseado.

Análisis Matemático y Ecuaciones Clave
La caracterización de un filtro paso banda se puede realizar mediante su función de transferencia. Para un filtro paso banda de segundo orden, la función de transferencia general se expresa como:
$$ H(s) = \frac{A \cdot \frac{\omegao}{Q} s}{s^2 + \frac{\omegao}{Q} s + \omega_o^2} $$
Donde:
- (A) es la ganancia del filtro.
- (\omegao) es la frecuencia central en radianes por segundo ((\omegao = 2\pi f_o)).
- (Q) es el factor de calidad.
- (s) es la variable de Laplace.
Alternativamente, la función de transferencia puede expresarse en términos de las frecuencias de corte superior ((\omega{c2})) e inferior ((\omega{c1})):
$$ H(s) = \frac{A \cdot \sqrt{\omega{c1}\omega{c2}} s}{s^2 + (\omega{c2}-\omega{c1}) s + \omega{c1}\omega{c2}} $$
El ancho de banda ((BW)) en radianes por segundo se define como:
$$ BW = \omega{c2} - \omega{c1} $$
Y la frecuencia central ((f_o)) y el factor Q se relacionan con estas frecuencias:
$$ fo = \sqrt{f1 f2} $$$$ Q = \frac{fo}{BW} $$
Es importante notar que la frecuencia central (fo) no es el promedio aritmético de (f1) y (f_2), sino su media geométrica.
Ejemplos de Diseño de Filtro Paso Banda
Ejemplo 1:
Dada la función de transferencia de un filtro paso banda de segundo orden:
$$ H(s) = \frac{2 \cdot \frac{3\pi}{8\pi} s}{s^2 + \frac{3\pi}{8\pi} s + (3\pi)^2} $$
Se determina que la frecuencia central (\omega_o) es (3\pi) rad/s (equivalente a 1.5 Hz), la ganancia (A) es 2, y el ancho de banda (BW) es (8\pi) rad/s (equivalente a 4 Hz). En una gráfica de respuesta, la línea verde representa la magnitud y la línea roja la fase.
Ejemplo 2:
Se desea diseñar un filtro con una ganancia de 3 y frecuencias de corte de (4\pi) rad/s (2 Hz) y (\pi) rad/s (0.5 Hz).
La línea verde en la gráfica de respuesta indicará la magnitud, y la línea roja la fase, mostrando la transición característica de un filtro paso banda.
Filtro Paso Banda para Frecuencias de WIFI
Los filtros paso banda son cruciales en receptores inalámbricos, como los utilizados para la comunicación Wi-Fi. Estos filtros permiten seleccionar la señal deseada, que está modulada a una frecuencia portadora específica y posee un ancho de banda determinado. Al sintonizar el filtro a la frecuencia portadora y ajustar su ancho de banda para que coincida con el de la señal modulada, se eliminan eficazmente otras señales y el ruido circundante.
Filtros Adicionales y Relacionados
- Filtros Activos Rechaza Banda: Estos filtros se utilizan para atenuar selectivamente un rango de frecuencias específico, a menudo determinado mediante análisis y simulaciones computacionales.
- Filtro Percolador: Clasificado como un reactor de crecimiento adjunto, el filtro percolador requiere un medio de soporte (lecho fijo) donde la biomasa se adhiere. El agua fluye a través de este lecho, permitiendo procesos biológicos de tratamiento. Factores como la carga hidráulica y orgánica, así como el espesor de la biopelícula, influyen en su funcionamiento y en un ciclo de autolimpieza para evitar la colmatación.
- Filtro De Paso-Variable, Basado en Celdas De Retardo Analógico: Este diseño se centra en filtros paso bajo en tiempo continuo utilizando celdas de retardo. La señal de salida se genera mediante la suma de retardos, y las simulaciones se realizan típicamente con software especializado.
- Filtro Digital Paso Bajas de Chevyshev: Implementado utilizando métodos como el de Markel y Gray en cascada, estos filtros digitales se diseñan con un orden específico, atenuación, frecuencia de muestreo y frecuencia de corte definidas. Se pueden generar respuestas en el dominio del tiempo y la frecuencia utilizando software como MATLAB y simularse en microprocesadores.
- Filtro Elíptico o Filtro de Cauer: Estos filtros son conocidos por su respuesta de frecuencia muy pronunciada, logrando transiciones rápidas entre la banda de paso y la banda de rechazo.